企业邮箱
CHNENG
ex
PE
EX
变电金具
产品概述 Feature
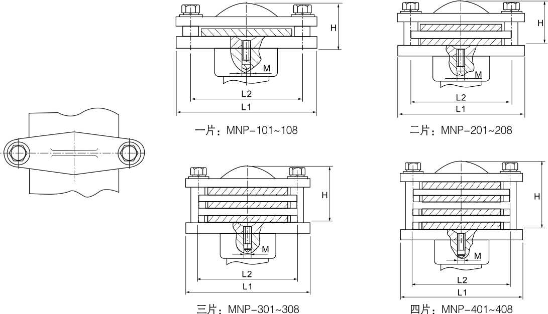
上盖板为铝合金件,,其余为热镀锌钢制件。。。
型号及寄义
母线型号体现要领
产品价钱 Price
真实姓名
手机号码
※ 请填写真实手机号码以便我们与您联系
QQ
验证码
地点 : 浙江省 乐清市 经济开发区 滨海南三路68号 / 手机 : +86 17895754287
电话 : +86-577-62057777 86-577-62058899 / 传真 : +86-577-62059988
copyright © 九游会电气集团. ALL RIGHT RESERVED.
浙ICP备05024005号-1廉政邮箱:cac@hogn.com.cn